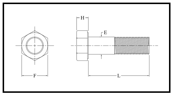
Hex head bolts are designed to secure objects within or against other objects for a non-loosening hold. Applications for a hex bolt include fastening steel to steel, wood to wood, and other materials found on construction for projects such as highway structures, bridges, and buildings.

